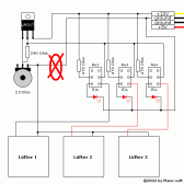
Hab mir heute eine Lüftersteuerung nach diesem Schaltplan gebaut

Ohne Lüfter beträgt die Ausgangspannung 10V doch wenn ich den Lüfter dranhäng fällt die Spannnung auf 3V
was für einen 12V Lüfter natürlich zuwenig ist. Die Leds funktionieren so wie sie es sollen.
Hat jemand eine Idee was ich falsch gemacht haben könnte?
mfg

Hilfe
Neues Thema
Antworten



Nach oben

